
8 channels of I2C and SMBus GPIO expanders with interrupt outputs
I2C/SMBus to 8-channel GPIO
Frequencies between 0 to 400kHz, with noise filters at SDA/SCL inputs are supported
Active-low interrupt outputs are supported and 8 of these chips can be connected to the bus at the same time
Operating temperature: -40°C~85°C
Package: TSSOP16
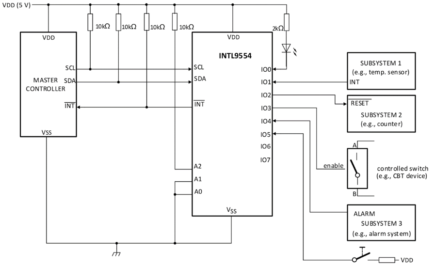
INTL9554 is a 16-pin device that provides 8-bit general-purpose parallel input and output expansion for a two-wire bidirectional I2C bus (or SMBus). The device operates from a supply voltage ranging from 1.65V to 5.5V. The INTL9554 functions include generating an interrupt on the INT pin when the state of the input port changes. The A0, A1, and A2 hardware selectable address pins allow up to 8 INTL9554 devices on the same I2C bus.

Application Diagram
Server
Storage
Switch
Router
Copyright © 2019-2025 成都BB贝博艾微电子科技股份有限公司 版权所有 备案编号: 蜀ICP备2022009451号 川公网安备 51019002004893号